Mit dem technischen Fortschritt werden Bauteile immer exakter gefertigt. Dadurch reichen einfache Beschreibungen mit klassischen Plus-Minus-Toleranzen in vielen Fällen nicht mehr aus, da sie in diesen Abweichungsbereichen nicht mehr eindeutig sind. Insbesondere bei Stufen- und Abstandsmaßen sind solche Toleranzen oft mehrdeutig, weil nicht klar festgelegt ist, worauf sich das Maß genau bezieht. Deswegen wurden bereits vor vielen Jahren neue Tolerierungsregeln entwickelt, die diese Mehrdeutigkeiten vermeiden. Gleichzeitig gibt es weiterhin Maße, bei denen eine Plus-Minus-Tolerierung ausreichend und sinnvoll ist.
Um die gültigen unterschiedlichen Arten von Maßen (sogenannte Größenmaße und theoretisch exakte Maße (TEDs)) unterscheiden zu können, ist es wichtig, den grundlegenden Ansatz der Zerlegung (Partition) eines Bauteils zu verstehen. Dabei wird ein Bauteil in einzelne Basisgeometrieelemente aufgeteilt, zum Beispiel in Flächen und Zylinder. Toleranzen werden entweder einzelnen Geometrieelementen zugeordnet oder beschreiben die Beziehung zwischen mehreren Geometrieelementen.

Zylinder sowie zwei parallele ebene Flächen gehören funktional häufig zu einer speziellen Gruppe von Geometrieelementen, den sogenannten linearen Größenmaßelementen. Diese dienen vor allem dazu, die Fügbarkeit von Bauteilen in einer Baugruppe sicherzustellen. Ihre Definition ist in der ISO 14405-1 festgelegt. Auch das Passungssystem nach ISO 286 ist genau auf diese Funktion ausgerichtet und hilft dabei, lineare Größenmaßelemente eindeutig zu erkennen. Zusätzlich bilden diese Elemente die Grundlage für die Ableitung sogenannter mittlerer Elemente, zum Beispiel Mittellinien oder Mittelebenen.
Maße, die die Beziehung zwischen Geometrieelementen beschreiben – also Stufen- oder Abstandsmaße –, müssen im ISO-GPS-System anders spezifiziert werden. Für eine eindeutige Beschreibung werden sie mit Bezügen und geometrischen Toleranzen festgelegt und als theoretisch exakte Maße (TED) angegeben. Dabei ist wichtig zu verstehen, dass auch zwei parallele, ebene Flächen sowohl als Größenmaß als auch als Abstandsmaß definiert werden können. Genau diese Doppelrolle macht die Unterscheidung in der Praxis oft schwierig.
Als einfache Merkhilfe (Eselsbrücke) empfiehlt es sich, zu prüfen, ob sich aus den betrachteten Flächen oder Zylindern mittlere Elemente ableiten lassen oder ob die Angabe einer Passung sinnvoll wäre. Ist das der Fall, handelt es sich in der Regel um ein lineares Größenmaßelement. Wie in dem nachfolgenden Bild dargestellt, berührt der Esel beide Seiten gleichzeitig und spannt so ein Größenmaß auf. Bei Zylindern ist die Zuordnung meist eindeutig, allerdings können auch sie in bestimmten Fällen anders als Größenmaße toleriert werden.

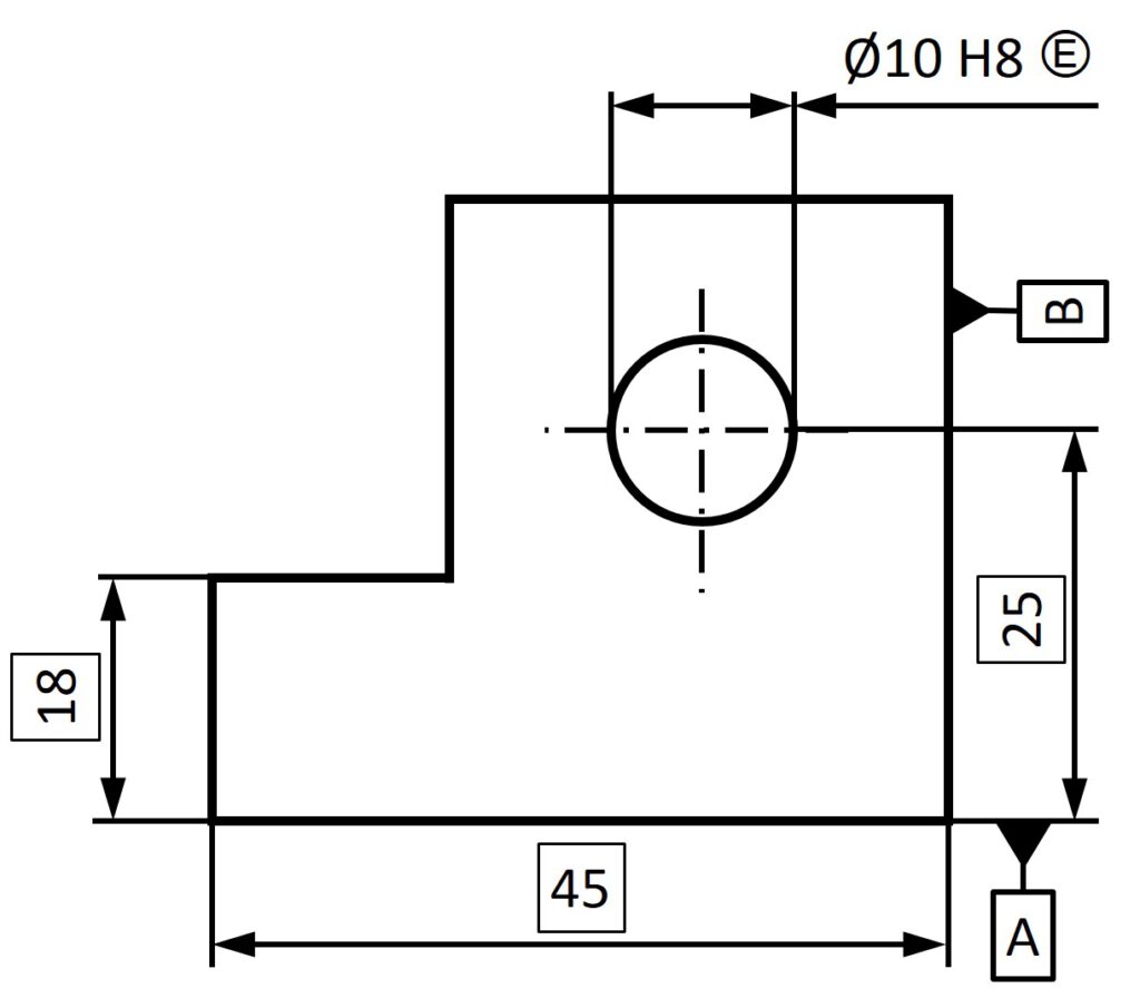
In dem nachfolgenden Zeichnungsausschnitt sind typische Maße, beispielsweise ein Größenmaß (Ø 10 mm) sowie mehrere Abstandsmaße als theoretisch exakte Maße (18 mm, 25 mm und 45 mm), eingetragen. Die TEDs legen dabei im Zusammenspiel mit den Bezügen den Ort der Geometrieelemente fest.

Im Kontext der Anwendung der ISO 22081 ist die Unterscheidung bedeutungsvoll. Mit dem Wissen aus den vorherigen Absätzen lassen sich die Eintragungen eindeutig zuordnen: Für Stufen- und Abstandsmaße wird die Flächenprofiltoleranz im Bezugssystem verwendet (TEDs sind oft nicht dargestellt und werden dem CAD-Modell entnommen), während für lineare Größenmaßelemente die Angabe „Linear size“ gilt. Diese Maße sind in der Spezifikation direkt angegeben.
Die detaillierten Erläuterungen zu den Allgemeintoleranzen, zur systematischen Unterscheidung der Maßarten sowie weitere Definitionen werden in den Grundlagenkursen weiter vertieft.